一、电源串联有两种应用,一是正负电压的应用;一是增加输出电压的应用。其配接方式如下:
(1)正负电压之接法如下图。
* 因为部分监控讯号与输出地短路,建议控制监控讯号采独立隔离控制,以免造成产品损害
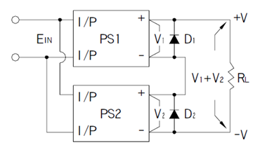
(2)增加输出电压(电流不变),电源输出端需加并二极管,以防止起动时造成电源内部损坏,二极管耐压需大于V1+V2(如下图),瞬间电流需大于额定输出电流。
二、电源并联主要用途为增加输出总电流,纯并联功能产品因为输出无配置防逆电流相关线路,无法满足备援相关应用需求,如果备援应用请选择具备援功能产品或系统增备援??椤2⒘毙枇粢馐涑龅缪辜芭湎咦杩刮蟛钜?。另外需注意以下事项:
二极管并联法
1. 输出电压误差尽量调到接近(误差小于0.2V)。
2. 每一台间需以粗短配线连接后再接至负载。
3. 并联后,输出为并联总瓦数之90%。无并联功能(一般机型皆可参考)可于每台电源输出正端各串加二极管(如图 7.8),二极管(如耐压许可,可选用萧特基二极管)耐电流量需大于输出电流规格并加合适散热片,此部份只适合备用功能,使用者应自行实验其合适性。
4. 为确保并联分流效果,一般并联使用总台数限制4-6 台。
5. 某些机型需将Control Connector 之+S,-S 一并连接,以减少输出跳动不稳现象。
6、对于小电流的,也可选用此方法,在每台电源输出正端各串一小电阻,电阻值0.1Ω(100m?)此种方式需考虑电阻散热及损耗,使用者需自行实验其合适性,(适合小电流机型)。
电阻并联法
三、并联与冗余/均流有什么差异?
并联:简单的把电源输出接到一起,正接正,负接负,大部分电源可以直接并接,如果考虑稳定性最好串接二极管,防止电压外灌,需要注意有些电源线路架构不支持并联,会炸机。
冗余:线路架构允许并联,且不会炸机,但是需注意每台电源电压差异不大,避免造成电源带载不平衡。
均流:可以并联使用,通过电源内部检测,使其并联的每一台电源平均输出电流。
经过测试:
1、两台相同电源并联,电压高的输出(不同型号电源无法确认)
2、普通的二极管并联冗余???,压差0.7V左右
3、用MOS管驱动的冗余???,压差在0.2V左右
4、普通的冗余???,只能支持并联,不建议升功率使用,除非能手动调节使其两台电源电压一致。一般情况下不建议升功率使用
5、均流冗余???,支持并联,可以升功率使用,价格较贵。
我司提供各种冗余/均流的电源方案,详情请致电联系!












